1
/
of
10
AURSINC
AURSINC Upgrated NanoVNA-H4 Vector Network Analyzer, Lastest V4.4 9KHz-1.5GHz HF VHF UHF 4" Touch Screen VNA Antenna Analyzer Ham Radio, Measuring S Parameters, SWR, Phase, Delay, Smith Chart
AURSINC Upgrated NanoVNA-H4 Vector Network Analyzer, Lastest V4.4 9KHz-1.5GHz HF VHF UHF 4" Touch Screen VNA Antenna Analyzer Ham Radio, Measuring S Parameters, SWR, Phase, Delay, Smith Chart
Regular price
$92.99
Regular price
$108.99
Sale price
$92.99
Unit price
/
per
Shipping calculated at checkout.
Couldn't load pickup availability
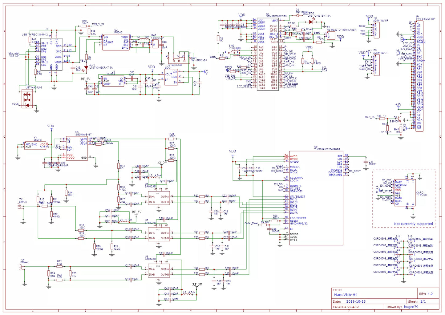
- LATEST VERSION V4.4: Developed by Hugen, the AURSINC NanoVNA-H4 comes with the latest V4.4 version—with a 9KHz-1.5GHz measurement range and enhanced dynamics during base wave operation. It features a 4.0-inch LCD touchscreen, and a compact, portable design. Its default firmware prioritizes antenna performance measurement, while the analyzer delivers excellent RF performance for S-parameter testing—perfect for ham radio operators, electrical engineers, and antenna builders needing efficient vector testing tools
- IMPROVED FREQUENCY ALGORITHM: The improved frequency algorithm of Nano VNA H4 can use the odd harmonic extension of si5351 to support the measurement frequency up to 1.5GHz. The 50K-300MHz frequency range of the si5351 direct output provides better than 70dB dynamic. The extended 300M-900MHz band provides better than 60dB of dynamics, and the 900M-1.5GHz band is better than 40dB of dynamics. Used it to check out new cable or antenna installations and to routinely adjust the RF tuner for optimum
- BUILT-IN MICRO-SD PORT & TDR FUNCTION: This antenna analyzer features a brand new panel and a new SD port for data storage, supporting up to 32GB memory cards (not included). Unlike older NanoVNA versions, it lets you customize the date and time for easier data recording. Added TDR functionality—widely used to quickly measure coaxial cable length and locate faults via impedance discontinuity calculations. The default firmware's main function is antenna performance measurement
- PC CONNECTION & ANDROID CONTROL: Using the PC software NanoVNASaver, the Nano VNA H4 antenna analyzer can connect to your device, extract data for display on a computer, and save it to Touchstone files. You can also export Touchstone (snp) files via the software for use in various radio design and simulation tools. With its TX/RX method, the analyzer measures complete S11 and S21 parameters. To obtain S12 and S22 parameters, you only need to manually rewire the transceiver ports
- WHAT'S INCLUDED: 1 x NanoVNA-H4 Host (built-in 1950mAh long-life battery), 1 x 4pcs SMA Male Calibration Kit (open/short/load + SMA female-to-female connector, for precise calibration), 2 x 6.3-inch (16cm) SMA Male-to-Male RG174 RF Cables, 1 x USB Type-C Data Cable, 1 x Type-C to Type-C Cable, 1 x Lanyard (with integrated stylus), 1 x Extra Stylus Pen, 1 x User Manual. It's a great antenna analyzer for your ham station—easy setup, no complex calibration
-
RELIABLE AFTER-SALES & TECH SUPPORT: We offer pro technical support for your AURSINC NanoVNA-H4 (usage & troubleshooting) to ease post-purchase worries. If you're unsatisfied with the antenna analyzer or run into any problems, don't hesitate to reach out. Our dedicated after-sales service experts will promptly respond. Shop confidently—we've got you covered from purchase to use
Share
